Skip to content

GTEM Immunity Test Systems

  • Complete IEC 61000-4-20 compliant System
  • Save cost on installation
  • Save cost on amplifiers
  • Test small DUTs on your bench
  • Move test facility more easily
  • Range of GTEM sizes
  • Overview +


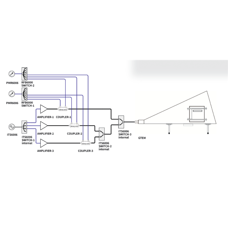
    AMETEK CTS via its Teseq product range was one of the original licence holders for the manufacture and supply of GTEM cells. Consequently, the Ametek CTS RF EMC team have over 20 years of experience in the design, installation and calibration of GTEM based RF Immunity test systems. The new AMETEK CTS standard GTEM test packages provide a simple, guaranteed pre-defined solution for your testing needs. Our expert team of RF EMC Engineers are ready to help you to add any customisation required to the GTEM such as additional power or signal filters, air or water access, DUT manipulators etc. AMETEK CTS offers pre-defined systems sizes from GTEM 250 till GTEM 2000 with the possibility of customized options. For more details, please contact our local sales representative.
  • Standards +


    • IEC / EN Basic Standards+