PURPOSE
The repetitive fast transient is a test with bursts consisting of a number of fast transients, coupled into power, control, signal and earth ports of electrical and electronic equipment. Significant for the test are the high amplitude, the short rise time, the high repetition frequency, and the low energy of the transients.
The Burst test is intended to demonstrate the immunity of electrical and electronic equipment when subjected to transient disturbances such as those originating from switching transients (interruption of inductive loads, relay contact bounce, etc.).
General Test Setup- click here to enlarge

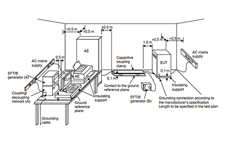
Burst Test Setup- click here to enlarge
Test Levels
|
Open circuit output test voltage and repetition frequency of the impulses
|
|
Level
|
Power ports, earth port (PE)
|
Signal and control ports
|
|
Voltage peak kV
|
Repetition frequency kHz
|
Voltage peak kV
|
Repetition frequency kHz
|
|
1
|
0.5
|
5 or 100
|
0.25
|
5 or 100
|
|
2
|
1
|
5 or 100
|
0.5
|
5 or 100
|
|
3
|
2
|
5 or 100
|
1
|
5 or 100
|
|
4
|
4
|
5 or 100
|
2
|
5 or 100
|
|
Xa
|
Special
|
Special
|
Special
|
Special
|
The use of 5kHz repetition frequency is traditional, however, 100 kHz is closer to reality. Product committees should determine which frequencies are relevant for specific products or product types. With some products, there may be no clear distinction between power ports and signal ports, in which case it is up to product committees to make this determination for test purposes.

Waveform- click here to enlarge

Pulse Packet (Burst)- click here to enlarge
View our solutions for EFT Burst testing
